Головна
Про компанію
Продукція
Шарові крани та фільтри
Регулятори тиску
Клапани і дросельні заслінки
Датчики-реле тиску
Компактні блоки клапанів і Moduline
Автомати керування пальниками й контролю полум’я
Трансформатори, електроди, УФ-датчики
Регулювальні крани і компенсатори
Лічильники витрат газу
Промислові пальники
Газові промислові пальники Kromschroeder
Газові пальники Eclipse
Пальники на різних видах палива HAUCK
Блочні пальники Ecoflam
Газові пальники
Рідкопаливні пальники
Комбіновані пальники
Запасні частини к пальникам
Побутова та комерційна автоматика Honeywell
Газові клапани VK, VR, VS, V
Блоки розпалу та горіння
Блоки управління розпалом і горінням Satronic
Датчики полум’я Satronic
Трансформатори розпалювання Satronic
Труби Вентурі
Приводи повітряних заслінок
Вентилятори і димососи Savio
Відцентрові вентилятори низького тиску (<1200 Па)
Відцентрові вентилятори середнього тиску (<10000 Па)
Відцентрові вентилятори високого тиску (<28000 Па)
Осьові вентилятори
Вентилятори і повітродувки Elektror
Вихрові повітродувки
Радіальні вентилятори
Осьові вентилятори
Погодозалежна автоматика для систем опалення Honeywell (Kromschroder)
Послуги
Сервісне обслуговування обладнання
Сервісне обслуговування пальників і режимно-налагоджувальні роботи
Аутсорсинг ЗЕД
Сфери застосування
Основні сфери застосування газових пальників та арматури
Основні сфери застосування блочних пальників
Основні сфери застосування вентиляторів
Основні сфери застосування продукції Honeywell Home
Інформація
Новини та Події
Партнери
Промислові рішення
Заміна обладнання Термобрест на Kromschroder
Заміна клапанів і регуляторів тиску Dungs на Kromschroder
Заміна обладнання Kromschroder, яке не виробляється
Наші вакансії
Контакти
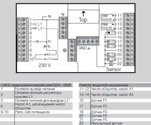
Lago SG2 shema